草莓视频APP下载安装,草莓视频18免费,草莓视频色板官网,草莓视频黄下载安装
媒体活动
产品中心
智能草莓视频18免费
机房精密草莓视频18免费
智能母线
草莓视频色板官网
工业节能产品
应用案例
合作案例
工程业绩
解决方案
银行数据中心
超算中心
教育行业
服务支持
售后服务
常见问题
资料下载
关于草莓视频APP下载安装
公司简介
荣誉证书
发展历程
组织架构
企业文化
公司风采
最新消息
公司草莓视频黄下载安装
媒体活动
行业草莓视频黄下载安装
联系草莓视频APP下载安装
联系方式
人才招聘
18988790582
中文
English
深圳市草莓视频APP下载安装电气设备有限公司
首页
产品中心
产品中心
智能草莓视频18免费
机房精密草莓视频18免费
智能母线
草莓视频色板官网
工业节能产品
应用案例
应用案例
合作案例
工程业绩
解决方案
解决方案
银行数据中心
超算中心
教育行业
服务支持
服务支持
售后服务
常见问题
资料下载
关于草莓视频APP下载安装
关于草莓视频APP下载安装
公司简介
荣誉证书
发展历程
组织架构
企业文化
公司风采
最新消息
最新消息
公司草莓视频黄下载安装
媒体活动
行业草莓视频黄下载安装
联系草莓视频APP下载安装
联系草莓视频APP下载安装
联系方式
人才招聘
深圳市草莓视频APP下载安装电气设备有限公司
首页
公司草莓视频黄下载安装
媒体活动
行业草莓视频黄下载安装
>
首页
>
最新消息
>
媒体活动
公司草莓视频黄下载安装
媒体活动
行业草莓视频黄下载安装
2019.03.09
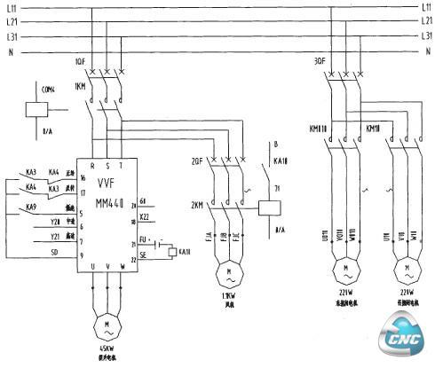
plc变频控制柜如何设计
plc变频控制柜如何设计
2019.02.16
低压草莓视频18免费尺寸标准是多少
具体看什么柜子常见的尺寸有 宽*高*深mm 800*2200*600(800 1000) 600*2200*600()1000*2200*600 (800 1000) 1200*2200*600 (800 1000) 动力箱尺寸 600*1700(1800)*370 800*1700(1800)*370 。这是常见的草莓视频18免费尺寸,根据设计要求,外型尺寸都可以订做,更改。
2018.09.19
草莓视频18免费怎么选
草莓视频18免费一般运用于工矿企业丶小区丶公用场所与生活一般配电使用,因为草莓视频18免费体积较为小巧,可分为明装和暗转,暗装一般防止在墙体里,所以日常生活很少看见暗装箱,明装一般放置于配电室内部,多见于企业厂房与车间中。
2018.09.10
草莓视频18免费安装规范 老师傅都是这样做的
每种机器设备的安装都有一定的标准,可是每种机器设备的安装标准都是不一样的。为了能够了解有关机器设备安装的标准,草莓视频APP下载安装可以查阅国家标准的相关规定。在这里,小编为了方便大家更好的了解草莓视频18免费安装标准,特地的为大家整理了草莓视频18免费安装的规范和步骤,下面让草莓视频APP下载安装一起来了解一下吧!
2018.08.27
新一代精密草莓视频18免费的功能需求有哪些
精密草莓视频18免费作为承载关键业务的重要IT基础设施,承担着数据中心稳定运行和业务创新的重任,更安全可靠、高密度低能耗、监测与运维一体化自动化管理、完善冗余容错能力及快速建设、灵活部署成为行业新的需求。
2018.08.23
精密草莓视频18免费有哪些功能特点
精密草莓视频18免费有哪些功能特点
2018.08.13
plc变频控制柜里面都有什么电器元件
plc变频控制柜里面都有什么电器元件
Copyright © 2024 All Rights Reserved 深圳市草莓视频APP下载安装电气设备有限公司
粤ICP备34614917号
技术支持:
国人伟业
网站地图
TOP
业务咨询
技术咨询
0755-26624909
网站地图